板子尺寸:250MM*262MM
PCM63解码板 FR4板材 厚度2MM 沉金工艺


○技术指导○→ 第三版PCM63装机说明帖(复制下面地址查看)
http://www.hifiss.com/ShowDownload.asp?id=17
套件出售:套件不要PCM63芯片的1450元,2片PCM63PK1690元,4片PCM63PK 1970元(套件包括变压器和机箱.)
成品板出售:不要PCM63芯片的1300元,2片PCM63PK 1600元,4片PCM63PK 1800元(包安装调试好,不包括变压器和机箱.)
这是单PCM63PK空板的价格,需要套件拍下请联系店主修改价格
单独电阻包.40元一套.(DALE电阻包)
PCM63其他搭配配件.30元(包括了28脚IC座4只,8脚IC座6只,继电器1只.)
送47HM电感8个,磁珠3个,三极管MPSA42 (1个拆机的)
28脚IC座=4元/只;8脚IC座=2元/只;继电器=5元;
(IC座更新为内外镀金,原来的内镀金没货了.)
#

PCM63并联板.10元一块.

http://item.taobao.com/auction/item_detail.htm?item_num_id=0755-29125566
声音特点:结果几版的改进,此板已经很满意。充分挖掘了PCM63的潜力,中低频不论厚度还是力度都相当出色,人声也比较饱满,圆润。
性价比相当的高
实测信噪比不计权95DB

A计权达110DB

有网友测过其他人做的PCM63。A计权在90多DB
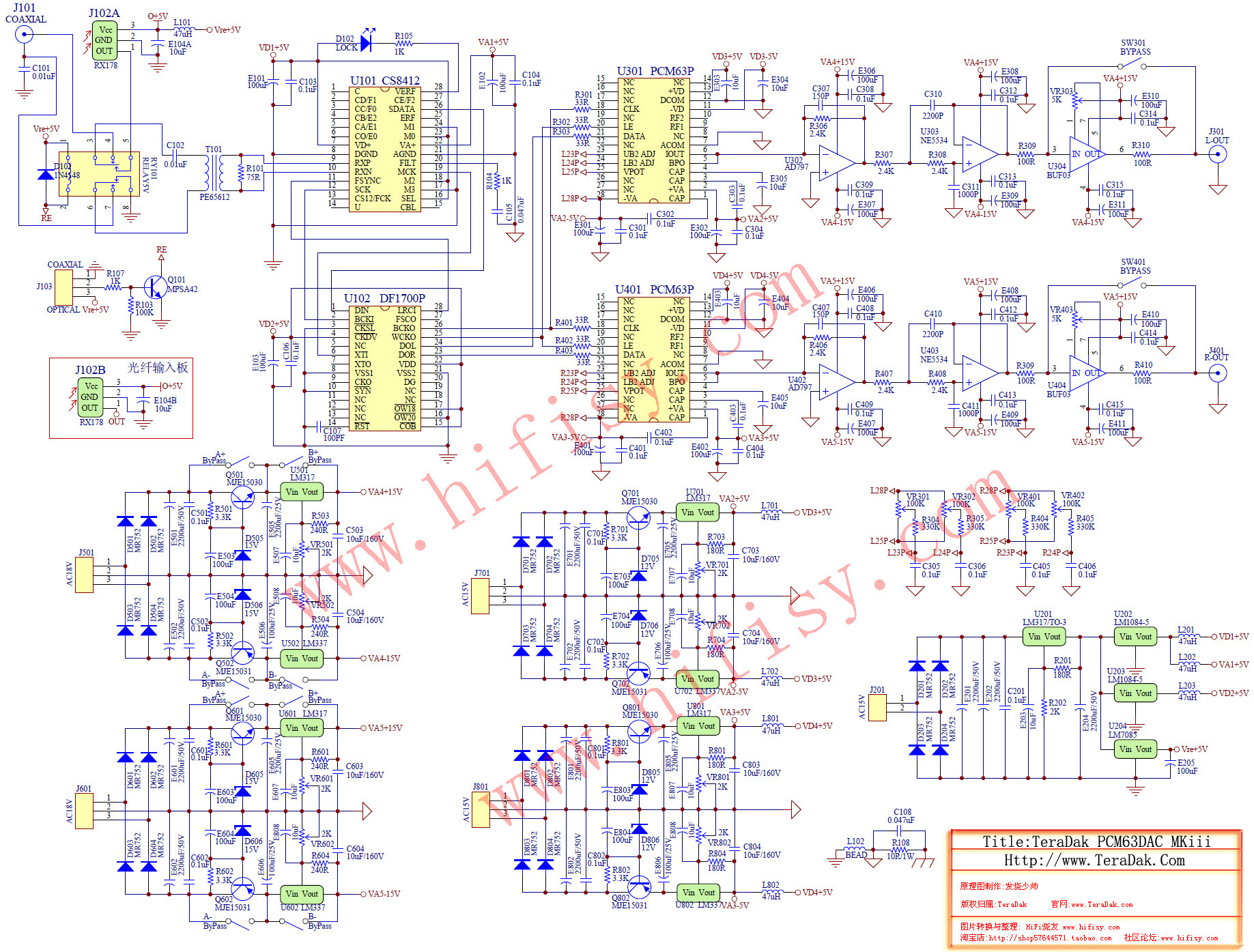
原理图图请右击另存为...查看完整图..


PCM63解码板 FR4板材 厚度2.0mm 沉金工艺